Den opprinnelige prosessen
Oljebehandling

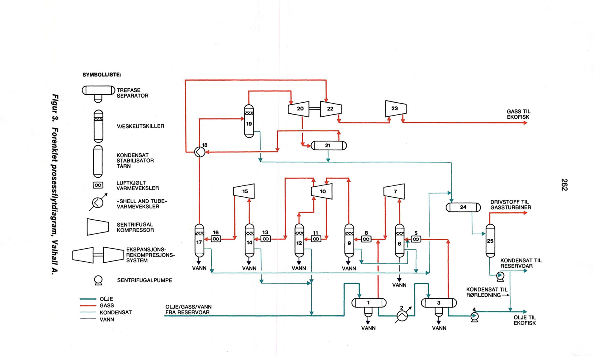
Oljen og gassen som kommer fra brønnene på boreplattformen (DP) går i rør over bru til prosessplattformen. Det samme skjer med brønnstrømmene fra brønnhodeplattformen
(WP) og vanninjeksjonsplattformen (IP) som begge ble installert noen år etter produksjonsstarten. Både brønnstrømmen fra Hod-feltet (satt i produksjon 1990) og de to flankeplattformene (som ble installert rett etter årtusenskiftet) kommer opp på prosessplattformen via egne rørledninger og separate stigerør.
Væsken i reservoaret holder en temperatur på ca 60°. Brønnstrømmene fra de to flankeplattformene kjøles ned på veien til hovedfeltet og er derfor noe kaldere når den ankommer prosessplattformen. Disse brønnstrømmene må varmes opp i en innløpsvarmer før de blandes med brønnstrømmene fra hovedfeltet og Hod. Oppvarmingen er nødvendig for å få en god separasjon av vann og olje, samt å forbedre prosessen med å skille ut gass fra oljen.

Valhall PCP har to parallelle 1. trinns separatorer (det forenklede diagrammet viser bare den ene produksjonslinjen). I disse skilles mesteparten av gass og vann fra oljen. Disse (1) var opprinnelig designet for å operere med et trykk på 7 atmosfærer og 60°C på den innkommende brønnstrømmen, men gjennom årene har både trykk og temperatur i reservoaret gått noe ned og separatortrykket har derfor blitt redusert for å få så høy som mulig produksjon. Det utskilte vannet ofte omtalt som «produsert vann» sendes til et renseanlegg for fjerning av rester av olje og andre hydrokarboner før det slippes ut til sjø. Den gassen som skilles ut i 1. trinns separator ledes inn til gasskompresjonslinjen i produksjonslinjen etter at hovedstrømmen har gått gjennom 1. trinns kompressor (7). Her går gassen til opptrykking og behandling for eksport. Etter å ha passert gjennom én separator varmes brønnstrømmen opp til 70°C for å drive ut mer av gassen som er oppløst i oljen (2) før den går inn i en ny separator (3) der gassen og mer vann skilles ut. Gassen herfra ledes tilbake til gasskompresjonslinjen etter at den har gått gjennom 1. trinns kompressor (7). Vannet sendes med vann fra 1. trinns separator til rensing. Oljen i brønnstrømmen er nå separert fra de øvrige bestanddelene og sendes via en pumpe (4) til eksport.
Væskestrømmen passerer enda en varmeveksler (5) som sørger for at gassen får den foreskrevne temperatur på 30°C før den går gjennom en tank (6) som skiller ut enda mer vann og tyngre bestanddeler av gass som betegnes kondensat. Kondensatet fra væskeutskilleren brukes som drivstoff i plattformens kraftgeneratorer.
Trykket i gassen økes nå ved hjelp av en kompressor (7) slik at den kan blandes med gass fra 1. trinns separator for videre behandling. Vannet sendes med vann fra 1. trinns separator til rensing.
Gassbehandling
Gass trykkes opp fra 1. trinns kompressortrykk til eksporttrykk via 7 kompressortrinn. For hver gang trykket økes, kjøles gassen (5, 8, 11, 13, 16 og 18). Dette medfører at noe vann og tyngre bestanddeler av gassen, betegnet som kondensat, væske felles ut. Væske tas ut i vertikale separatorer, væskeutskillere (scrubbere – 6, 9, 12, 14 17 og 19) før gassen går videre gjennom kompressorene som øker trykket (7, 10, 15, 20, 22 og 23). Kondensatet fra væskeutskilleren sendes så til stabilisatortårns fødetank og til NGL-tårn.
Driftsbetingelser er:
| Komponent | Inn | Ut | ||
| Trykk | Temperatur | Trykk | Temperatur | |
| 1. trinns kompressor (7) | 1 barg[REMOVE]Fotnote: Barg – bar gauge. Beskriver overtrykk over en atmosfære. En bar tilsvarer ca. en atmosfæres trykk | 30 o C | 7 barg | 120 o C |
| 2. trinns kompressor (del 1) (10) | 6 barg | 120 o C | 13 barg | 80 o C |
| 2. trinns kompressor (del 2) (10) | 13 barg | 30 o C | 26 barg | 80 o C |
| 3. trinns kompressor (15) | 25 barg | 30 o C | 85 barg | 128 o C |
| Ekspander rekompressor (20-22) | 49 barg | 20 o C | 63 barg | 40 o C |
| Sistetrinns kompressor (23) | 63 barg | 40 o C | 88 barg | 72 o C |
| Eksportkompressor (ikke vist) | 87 barg | 30 o C | 125 barg | 72 o C |
Gassen fra eksportkompressor kjøles til 70°C før den sendes til målestasjonen og videre til eksport.
Etter 3. trinns kompressor injiseres glykol (ikke vist) for å trekke vann ut av gassen. Glykolen tas ut i nedstrøms væskeutskiller. Vannet tas ut for å unngå hydrater i gassbehandlingssystemet og eksportrørlinje.
Mellom tredje kompressortrinn og eksportkompressor er det installert et gassbehandlingsanlegg (21) hvor lette væskekomponenter fjernes fra gassen for å oppnå riktig brennverdi og kvalitet slik at gassen kan sendes direkte til markedet som salgsgass.
Gass på 27°C fra 3. trinns utløpskjøler kjøles videre i en gass-gass varmeveksler før trykket senkes fra 85 barg til ca. 50 barg over en turboekspander. Denne kjølingen og trykkreduksjonen gir en temperatur i kaldgass-separator på -14°C, noe som resulterer i at lette væskekomponenter blir skilt ut og gassen kan sendes videre til eksport. Gass fra kaldseparator komprimeres av en re-kompressor som blir drevet av turboekspander før den varmes opp i gass-gass varmeveksler og går til sistetrinns kompressor og eksportkompressor (installert ca år 2000) for opptrykking til eksporttrykk.
Trykket i væsken (kondensat) som skilles ut i kaldseparator reduseres og væsken sendes sammen med væske fra væskeutskillere via stabilisatortårns fødetank til NGL-tårn. Her kokes de letteste komponentene av slik at det resterende kondensatet inneholder så lite gass at det kan pumpes inn i oljerørledningen for eksport. NGL-tårn opererer på 18 barg og har temperatur på ca. 155°C i bunnen og 9° i toppen. Gassen fra NGL-tårn brukes som drivstoff i plattformens kraftgeneratorer.
Kilder:
Prosessbeskrivelse fra Torbjørn Selanger (e-mail våren 2015).
Moe, Johannes: Kostnadsanalysen norsk kontinentalsokkel oppnevnt styringsgruppe 1979.
Noco – liten men attraktivÅpningen av Valhall